要點
《四川省裝配式建筑裝配率計算細則(試行)》實施以來,對全省裝配式建筑裝配率計算起到了積極的指導和規范作用。為進一步推動我省裝配式建筑的發展,規范裝配率計算,提升標準化建設水平,推進系統集成技術發展應用,我廳組織相關單位進行了修訂,并經專家審查通過,形成了《四川省裝配式建筑裝配率計算細則》,現予印發,自 2020 年 10 月 1 日起實施。
原《四川省裝配式建筑裝配率計算細則(試行)》(川建建發〔 2018〕 300 號)同時廢止。

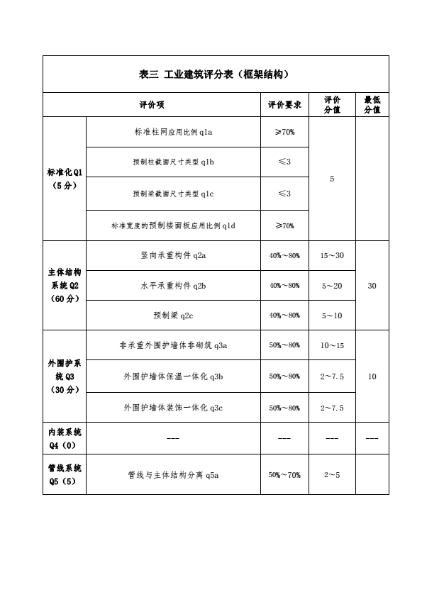
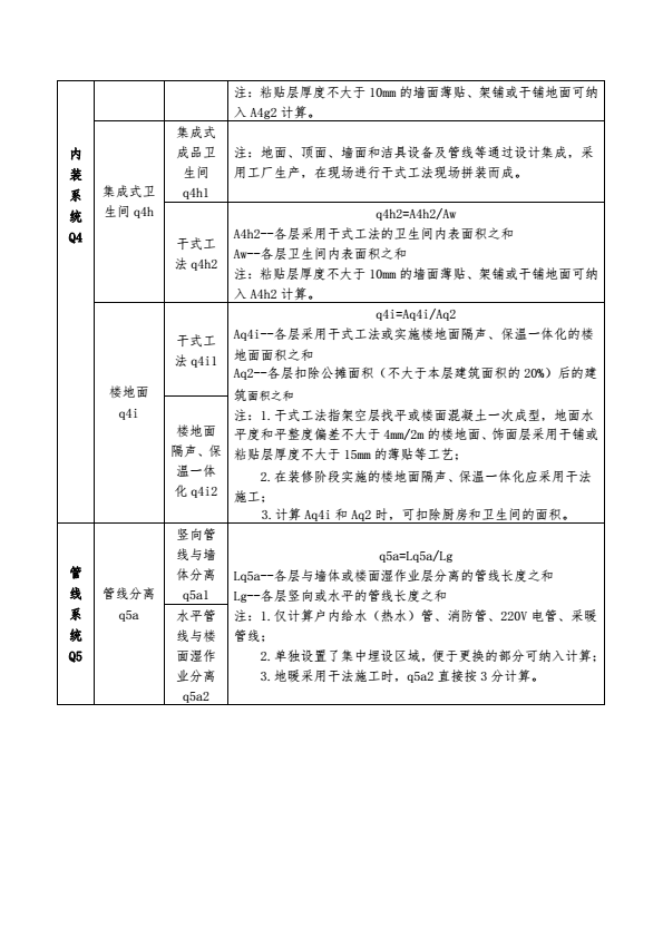
附件 四川省裝配式建筑裝配率計算細則

















